Tel : +86 -18159244550 E-mail : jony@jyfire.com.cn
Tel : +86 -18159244550 E-mail : jony@jyfire.com.cn
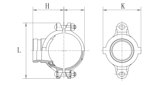
Sambungan pipa T mekanis berulir memiliki fungsi yang sama dengan sambungan pipa T mekanis beralur. Keduanya adalah fitting pipa mekanis yang digunakan untuk membuat lubang dan percabangan pada pipa yang sudah ada.
Bahan :
Ductile IronDiameter Normal :
DN50 to DN125Tekanan Kerja :
300 PSISertifikat :
UL,FMAplikasi :
Exhaust valves, drain valves, etcJumlah pesanan minimum :
200 PiecesWaktu Pengiriman :
15~45 DaysE-mail : jony@jyfire.com.cn
Pengenalan Produk

Prinsip kerjanya sama persis dengan tipe yang beralur:
Bor lubang yang sesuai dengan spesifikasi pada pipa utama. Lilitkan tee mekanis berulir dua bagian di sekitar pipa utama, kencangkan dengan baut, dan andalkan gasket khusus di dalamnya untuk mencapai penyegelan pada bukaan pipa utama. Pasang pipa cabang (atau fitting pipa berulir) ke port berulir pada outlet cabang dan gunakan pita PTFE atau sealant untuk memastikan penyegelan berulir.
Fitur Produk
1. Koneksi langsung ke peralatan berulir: Dapat langsung dipasang dengan cara disekrup ke katup, instrumen, dll.
2. Tidak memerlukan proses pembuatan alur: Tidak perlu membuat alur pada ujung pipa cabang.
3. Cocok untuk diameter pipa kecil: Lebih mudah diaplikasikan pada cabang berukuran kecil (seperti 1/2", 3/4").
Parameter Produk
| Ukuran Nominal | Diameter Luar Pipa (mm) | Tekanan Kerja | Ukuran Baut | Diameter Lubang |
| 2" x 1" | 60,3 x 33,7 | 300 PSI / 2,07 MPa | M10 X 55 | 38 mm / 1,5 inci |
| 2" x 1-1/4" | 60,3 x 42,4 | M10 X 55 | 51 mm / 2 inci | |
| 2" x 1-1/2" | 60,3 x 48,3 | M10 X 55 | 51 mm / 2 inci | |
| 2-1/2" x 1" | 73,0 x 33,7 | M10 X 60 | 38 mm / 1,5 inci | |
| Ukuran 2-1/2" x 1-1/4" | 73,0 x 42,4 | M10 X 60 | 51 mm / 2 inci | |
| 2-1/2" x 1-1/2" | 73,0 x 48,3 | M10 X 60 | 51 mm / 2 inci | |
| Ukuran 3" x 1" | 88,9 x 33,7 | M12 X 65 | 38 mm / 1,5 inci | |
| 3" x 1-1/4" | 88,9 x 42,4 | M12 X 65 | 51 mm / 2 inci | |
| 3" x 1-1/2" | 88,9 x 48,3 | M12 X 65 | 51 mm / 2 inci | |
| Ukuran 3" x 2" | 88,9 x 60,3 | M12 X 65 | 64 mm / 2,5 inci | |
| 4" x 1" | 114,3 x 33,7 | M12 X 75 | 38 mm / 1,5 inci | |
| 4" x 1-1/4" | 114,3 x 42,4 | M12 X 75 | 51 mm / 2 inci | |
| 4" x 1-1/2" | 114,3 x 48,3 | M12 X 75 | 51 mm / 2 inci | |
| Ukuran 4" x 2" | 114,3 x 60,3 | M12 X 75 | 64 mm / 2,5 inci | |
| 4" x 2-1/2" | 114,3 x 73 | M12 X 75 | 70 mm / 2,75 inci | |
| Ukuran 4" x 3" | 114,3 x 88,9 | M12 X 75 | 89 mm / 3,5 inci | |
| 5" x 1" | 141,3 x 33,7 | M16 X 80 | 38 mm / 1,5 inci |
Pertanyaan yang Sering Diajukan (FAQ)
T: Berapa jumlah pesanan minimum (MOQ) untuk Tee Mekanik Berulir?
A: Untuk ukuran standar, MOQ kami biasanya 200 buah. Untuk ukuran besar atau persyaratan khusus, MOQ bisa satu unit. Kami selalu bersedia memberikan solusi yang fleksibel kepada pelanggan.
T: Apa ketentuan pembayaran Anda?
A: Pembayaran mendukung T/T, L/C, dll. Kami juga mendukung pembayaran melalui WeChat atau Alipay.
T: Berapa waktu pengirimannya?
A: Proses produksi biasanya memakan waktu 15 hingga 45 hari. Untuk pesanan besar atau pesanan khusus, mungkin membutuhkan waktu 60 hari atau lebih. Kami akan memberikan rencana produksi yang akurat setelah Anda melakukan pemesanan.
Hubungi kami
Solusi Lengkap untuk selang pemadam kebakaran, alat penyiram, nosel, katup, dan fitting pipa!
PERUSAHAAN PENGEMBANGAN TEKNOLOGI JINYUAN, LTD.
Telp.:86-18159244550 Mobil:18159244550
EMAIL: Jony@jyfire.com.cn
TAMBAHKAN: ZONA TEKNOLOGI CHENGGONG TAHAP 3, KOTA XIMEI, KOTA NAN'AN QUANZHOU
TAG PANAS :
Tinggalkan pesan
Pindai ke Wechat :
Pindai ke WhatsApp :